DC 12V
DC 24V
Особенности:
- Применимо к 10-ходовому гидрораспределителю с электромагнитным управлением.
- Благодаря резьбовому соединению катушку можно заменить без отключения
- Оборудован ручным аварийным устройством
- Внутреннее отверстие катушки φ31.5, внешний диаметр φ63, полный пластиковый процесс уплотнения
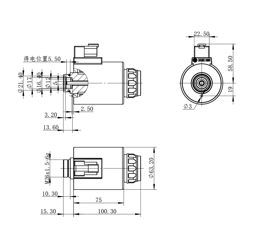
Габариты и размеры соединений:
| технические параметры | ||
|
Температура окружающей среды |
℃ | -25~50 |
|
Диапазон колебаний напряжения |
% | 85~110 |
|
Номинальная мощность |
W | 36 |
|
Номинальный ход |
mm | 4 |
|
Полный ход |
mm | ≥8.5 |
|
Рабочее давление масла |
Mpa | ≤21 |
|
Степень защиты |
IP67 | |
|
Частота срабатывания |
T/h | 12000 |
|
Продолжительность включения |
% | 100 |
|
Класс изоляции |
H(180) | |
|
Способ электрического подключения |
DT04-2P | |
Важные моменты:
1. Катушку нельзя использовать отдельно с подачей тока, существует риск перегрева и повреждения!
2. Катушка не является взрывозащищённой, её нельзя использовать в средах с взрывоопасными веществами!
3. После установки катушки, её необходимо надёжно заземлить, иначе существует риск поражения электрическим током!
Характеристическая кривая F-S:
简体中文
English
Русский