DC 12V
DC 24V
Особенности:
- Применимо к электрогидравлическим резьбовым картриджным клапанам серии SVS-40
- Ребтовое соединение, катушка может быть заменена без остановки
- Оснащено ручным экстренным устройством
- Внутреннее отверстие катушки φ 19. Полностью пластиковый процесс уплотнения
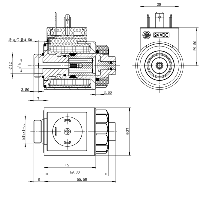
Габариты и размеры соединений:
|
технические параметры |
||
|
Температура окружающей среды |
℃ |
-25~50 |
|
Диапазон колебаний напряжения |
% |
85~110 |
|
Номинальная мощность |
W |
20 |
|
Номинальный ход |
mm |
2 |
|
Полный ход |
mm |
≥ 3.6 |
|
Рабочее давление масла |
Mpa |
≤35 |
|
Степень защиты |
IP65 |
|
|
Рабочая частота |
T/h |
12000 |
|
Продолжительность включения питания |
% |
100 |
|
Класс изоляции |
H(180) |
|
|
Режим электрического подключения |
DIN43650 |
|
Важные моменты:
1. Катушка не должна быть включена отдельно!
2. Катушки, не имеющие взрывозащиты, не должны использоваться во взрывоопасных средах!
3. После установки катушки ее необходимо надежно заземлить, в противном случае существует риск поражения электрическим током!
Характеристическая кривая F-S:
简体中文
English
Русский