DC 12V 20W
DC 24V 20W
Особенности:
- Подходит для электрогидравлических пропорциональных винтовых картриджных клапанов серии sp12-20
- Ребтовое соединение, катушка может быть заменена без остановки
- Оснащено устройством ручной регулировки
- Внутреннее отверстие катушки φ16. Полностью пластиковый процесс уплотнения
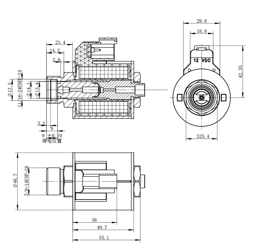
Габариты и размеры соединений:
|
технические параметры |
|||
|
Температура окружающей среды |
℃ |
-25~50 |
|
|
Номинальное напряжение |
VDC |
12 |
24 |
|
Номинальная мощность |
W |
20 |
|
|
Номинальное сопротивление |
Ω |
7.10 |
28.30 |
|
Номинальный ход |
mm |
3.5 |
|
|
Номинальная тяга |
N |
25 |
|
|
Силовой гистерезис |
% |
≤4 |
|
|
Текущий гистерезис |
% |
≤4 |
|
|
Точность повторения |
% |
≤1 |
|
|
Рабочее давление масла |
MPa |
≤21 |
|
|
Степень защиты |
IP67 |
||
|
Продолжительность включения питания |
% |
100 |
|
|
Класс изоляции |
H(180) |
||
|
Режим электрического подключения |
DT04-2P |
||
Важные моменты:
1. После первого использования или длительного простоя, пожалуйста, сначала выпустите воздух из системы!
2. Его можно устанавливать в любом направлении, рекомендуется устанавливать горизонтально.
Характеристическая кривая F-S:
简体中文
English
Русский