BYG11-16-01D
Belongs to category: Electromagnet for proportional valve
DC 12V 20W
DC 24V 20W
Features:
- Suitable for sp16-21 series electro-hydraulic proportional screw-in cartridge valves
- Threaded connection, coil can be replaced without stopping
- Coil inner hole φ16. All-plastic sealing process
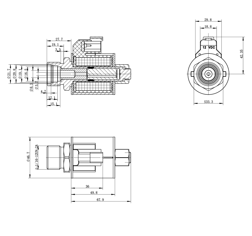
Outline and connection dimensions:
|
technical parameter |
|||
|
Ambient temperature |
℃ |
-25~50 |
|
|
Rated voltage |
VDC |
12 |
24 |
|
Rated power |
W |
20 |
|
|
Rated resistance |
Ω |
7.10 |
28.30 |
|
Rated stroke |
mm |
1.9 |
|
|
Full stroke |
mm |
2.8 |
|
|
Rated thrust |
N |
70 |
|
|
Force hysteresis |
% |
≤4 |
|
|
Current hysteresis |
% |
≤4 |
|
|
Repetition accuracy |
% |
≤1 |
|
|
Working oil pressure |
MPa |
≤21 |
|
|
Degree of protection |
IP67 |
||
|
Power on duration |
% |
100 |
|
|
Insulation class |
H(180) |
||
|
Electrical connection mode |
DT04-2P |
||
Matters needing attention:
1. After tie first use or long-term shutdown, please exhaust the air in the system first!
2. It can be installed in any direction, and it is recommended to install horizontally.
F-S characteristic curve:
The sample data comes from the laboratory environment and is only for reference. If your company needs the latest data or has special needs, please contact Boye hydraulic engineer.
Go back
简体中文
English
Русский