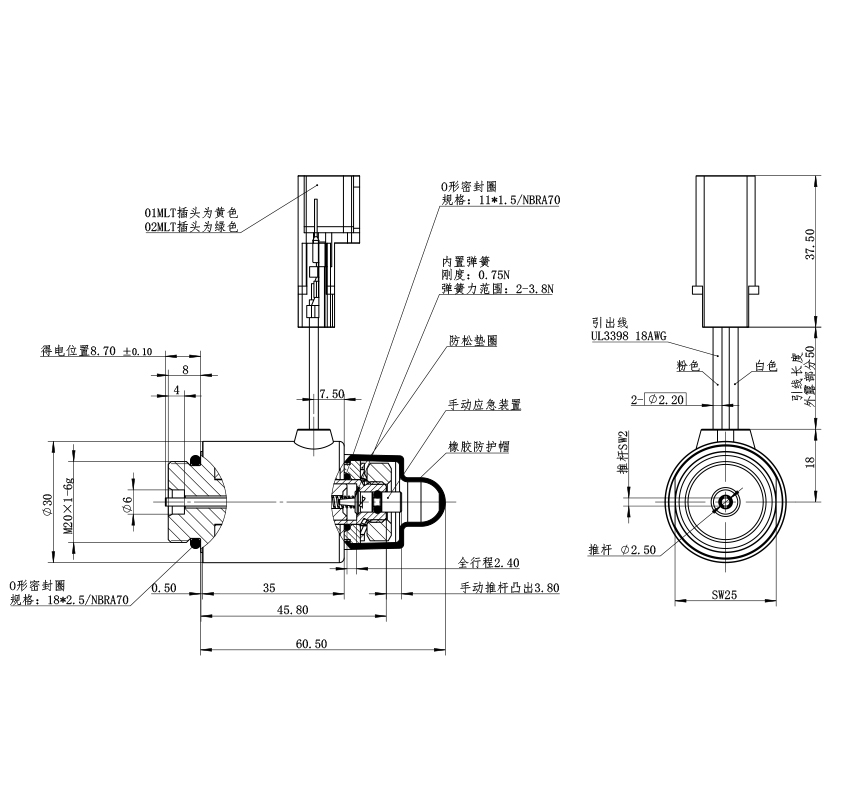
外形及连接尺寸:
|
技术参数 /technical parameter |
||
|
环境温度 |
℃ |
-25~50 |
|
电压波动范围 |
% |
85~110 |
|
额定功率 |
W |
17 |
|
额定行程 |
mm |
0.5 |
|
全行程 |
mm |
≥ 2.4 |
|
工作油压 |
Mpa |
≤ 10 |
|
防护等级 |
IP67 |
|
|
操作频率 |
T/h |
12000 |
|
通电持续率 |
% |
100 |
|
绝缘等级 |
H(180) |
|
|
电气连接方式 |
双引线 |
|
力- 位移特性曲线:
样本数据来自实验室环境,仅供参考。如果贵公司需要最新数据或有特殊需求,请联系博业液压工程师。
返 回
简体中文
English
Русский