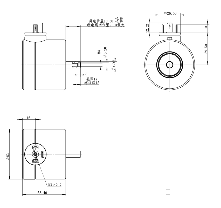
外形及连接尺寸:
|
技术参数 /technical parameter |
||
|
环境温度 |
℃ |
0~40 |
|
电压波动范围 |
% |
85~110 |
|
额定功率 |
W |
24 |
|
额定行程 |
mm |
4.5 |
|
全行程 |
mm |
— |
|
工作油压 |
Mpa |
— |
|
防护等级 |
IP65 |
|
|
操作频率 |
T/h |
21600 |
|
通电持续率 |
% |
25 |
|
绝缘等级 |
H(180) |
|
|
电气连接方式 |
DIN43650 |
|
注意事项:
1.线圈不得单独通电使用,有烧伤风险!
2.非防爆线圈,不得使用在有爆炸危险的介质中!
3.线圈安装后,必须接地可靠,否则有触电危险!
样本数据来自实验室环境,仅供参考。如果贵公司需要最新数据或有特殊需求,请联系博业液压工程师。
返 回
简体中文
English
Русский