BYC插装阀用线圈

BYC02-13-05H
BYC02-13-05H

DC 24V
AC 220V

其它规格可定做

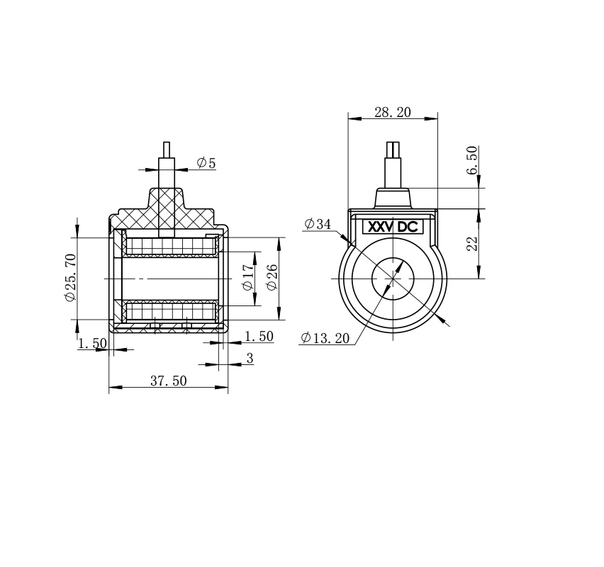
外形及连接尺寸:

 

技术参数/technical parameter

环境温度 Ambienttemperature

-25~50

防护等级 Degree of protection

IP67

电压波动范围 Voltage fluctuation range

%

85~110

通电持续率 Power on duration

%

100

额定功率 Rated power

W

15/20

绝缘等级 Insulation class

H(180)

返 回
Go back